RT-LPG IC卡系列加气机
![]()

RT-LPG IC 244 (双流量计四枪四显示) |
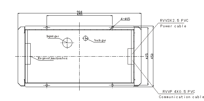
整机外型尺寸: 2150×1000×500 |
| 技术参数 |
» 准确度:±1.0%
» 重复性误差:≤0.5%
» 计量单位:加气量:升或kg; 金额:元; 单价:元/L
» 单次量程:(1-9900.00) L或元
» 累计量程:(1-99999999.99) L或元
» 额定工作压力:2.2MPa
» 最小被测量:2.5kg或5L
» 环境温度适应性:-25℃ ~ 55℃
» 相对湿度适应性:30%~90%
» 大气压力:86kPa~106kPa
» 电源适应能力:AC220V(+10%,-15%),(50±1)Hz
» 功率:100W
» 防爆标志:Ex d ib mb Ⅱ T3 Gb
» 防爆合格证:CCRI 15.3009
» 整机重量:200kg
» 制造计量器具许可证号:浙制 3031028-1号
» 电脑控制,电子计控装置能自动显示加气量和加气金额。
» 具有定金额、定加气量的预置加气功能。
» 当加满气时,具有自动停机功能;超时不加气也能自动停 机,可设定大小流速保护。
» 断电后数据长期保存,并具有停电复显功能。
» 可以复显最近10次的加气数据,以备查验。
» 可以统计当班加气累计数值和汇总累计数值。
» 具有自动检测故障功能,能自动显示故障代码。
» 具有与其他设备通讯的能力,通讯方式有多种可选。
» 可以配备后台管理系统,使加气站实现自动化管理。
» 能对不同形式接口的燃气汽车进行加气。
» 具有拉断保护功能,保证汽车意外拖走加气枪时安全脱离并密封。
» 具有限流保护功能,保证加气安全。
» 具有自动温度补偿功能,能够查询补偿数值。
» 超细过滤,保证加气机重要部件使用寿命。
» 配备回流装置,方便整机调试。
» 整机结构合理,方便安装及维修。
» 键盘操作,功能丰富,可完成多种程序的设置及查询。
| 底座安装 |
