CK系列传感器
![]()
CK系列传感器 |
输出波形

| 高精度传感器 |
CK系列隔爆型光电脉冲发讯器,吸取了世界各国加油机计量脉冲发讯器的电路与结构之精华,自行设计的一种具有多种模式的隔爆型光电信号发讯器,具有结构合理、外表精致、性能可靠等优点;并配备各种机械连接件,可与世界各著名品牌的加油计量泵配套使用。
| 特点 |
高精度:高精密度100槽,占空比为1:1的光电码盘,同心于输入轴。红外光发射与接收器采用日本产的一体化的双路光电耦合器,输入轴转360 度(一周) 光电发讯器能分别输出二路各50个脉冲的信号。(可按需定制二路各100个脉冲的发讯器)。
智能化:采用专用CPU的对光电信号进行去抖、整形特殊处理,从光电信号发讯器输出端输出二路不同模式相位关系的方波。CPU还提供发讯器故障监测信号输出。
| 连接说明 |
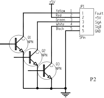
工作电压: DC 5V, 电流:< 30mA,信号输出为NPN开关三极管OC输出,可按需连接1K-10K上拉电阻。(P2所示)
1- Fault,故障信号输出。低电平 = 正常;高电平 = 发讯器故障。
2 - +5V,接5V电源。
3 - SigA,脉冲信号A输出。
4 - SigB,脉冲信号B输出。
5 - GND,信号、电源地。

![]()

