RT- DTJ3

 

 

 


 

 

 

 

 

 

 

 

RT- DTJ3

 

 

 

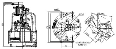
RT-DTJ3 流量计引进国外先进技术设计制造,广泛应用于加油机。本产品具有流量大、工作寿命长、计量精度高、易于安装等优点。


技术参数

 

每转排量 0.21 L
流量范围 5~100L/min
工作压力 0.12MPa~0.35MPa
精度 ±0.2%(5L/min~100L/min)
重度误差 ≤0.1%
工作寿命 ≥10000000L

 

 

 


 

 

 

 

Copyright © 2019 温州蓝天能源科技股份有限公司 版权所有

浙ICP备17020120号