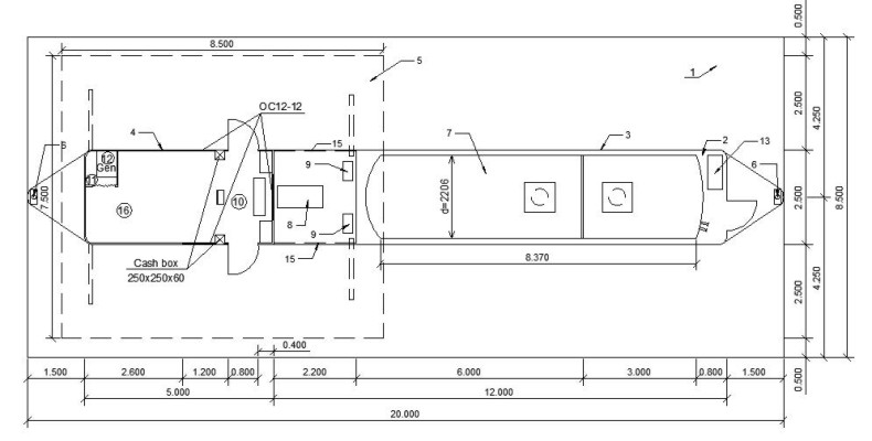
撬装加油站

 

 

 

技术参数

 

»  油罐
»  加油机
»  发电机(选配)
»  办公室和相关设备
»  电机驱动泵
»  油罐管理系统(选配)
»  泄漏检测系统
»  空调(选配)
»  站级自动控制系统(可用IC卡,射频ID卡)

 

 

 

 

 

Copyright © 2019 温州蓝天能源科技股份有限公司 版权所有

浙ICP备17020120号